Also did the following tests.
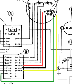
This is what I came up with
Pulser
White/Black & White/Green =.360K
White/Red & White/Yellow =.362K
Charge
Brown & Blue =1.111K
Blue & Red =137.7
This is what I came up with
Pulser
White/Black & White/Green =.360K
White/Red & White/Yellow =.362K
Charge
Brown & Blue =1.111K
Blue & Red =137.7


Comment