Buy Yamaha Outboard Parts

Announcement

Collapse
No announcement yet.

40hp battery lead polarity

Collapse
X
 
  • Filter
  • Time
  • Show
Clear All
new posts

  • 40hp battery lead polarity

    Hey folks, I’m new to this forum.

    I've tried searching for my answer in this forum, but just need to be 100% sure.

    I have 2 x 40xwt motors. I decided to put new battery cables on them and neglected to observe polarity when I removed the old ones. Kinda thought it would be simple to figure out.

    My gut says positive to start relay and negative directly to starter motor itself, which is the ground for all the other circuits.

    the Yamaha rigging manual says otherwise, or at least I think it does?
    see attachment.
    40 elec.png
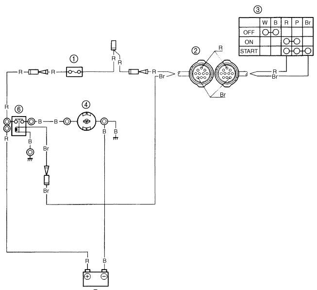
    ive circled what I think is wrong…it shows neg coming out of the left of the battery, going directly to the relay (top wire). Then it shows positive making a short hop down from battery to starter motor.

    any help would be appreciated.

    thanks!
    Last edited by Nicholas Boahoff; 12-18-2021, 06:39 AM.

  • #2
    What is the serial number of one of the motors?

    Comment


    • #3
      The link to the illustration does not work for me.

      Comment


      • #4
        link does not work for me either
        not sure what XWT would stand for
        Last edited by 99yam40; 12-18-2021, 10:09 AM.

        Comment


        • #5
          A51B587F-A6BC-4008-BF0C-EA1CB6CB9745.jpeg Hi there, the serial numbers are 1033061 and 1033062. Type is 66tk. Model is 40xwt. These are CV40 motors, so a bit different to the normal 40 2-stroke.

          Attached Files
          Last edited by Nicholas Boahoff; 12-18-2021, 02:02 PM.

          Comment


          • #6
            What is the serial number of the motor?

            Comment


            • #7
              Diagram is clearly wrong. Does not surprise me. It is Yamaha.

              First time the battery gets connected there will be some smoke. Maybe followed by flames.

              Comment


              • #8
                If you don't want to disclose the serial number, what is the identity of the service manual?

                Comment


                • #9
                  Folks would rather disclose their credit card numbers and CCV codes than give out the ID of their motor.

                  Comment


                  • #10
                    Originally posted by Nicholas Boahoff View Post
                    Hi there, the serial numbers are 1033061 and 1033062. Type is 66tk. Model is 40xwt. These are CV40 motors, so a bit different to the normal 40 2-stroke.
                    Boscoe ,I believe he posted both serial numbers

                    Nic, what country are you and these motors in?

                    I have seen bad info in manuals before, so I am sure they just screwed up where they put the + and - marks on the battery
                    Last edited by 99yam40; 12-18-2021, 02:46 PM.

                    Comment


                    • #11
                      Yeah, besides the +/- thing, they also labelled both the positive and negative cables as "B"... and the cable between the starter relay and the starter motor, too. I suppose it makes more sense in Japanese.
                      2000 Yamaha OX66 250HP SX250TXRY 61AX103847T
                      1982 Grady Weekender/Offshore (removed stern drive & modded to be an OB)

                      Comment


                      • #12
                        Originally posted by 99yam40 View Post
                        Boscoe ,I believe he posted both serial numbers

                        Nic, what country are you and these motors in?

                        I have seen bad info in manuals before, so I am sure they just screwed up where they put the + and - marks on the battery
                        Oops. Did not see that. My bad.

                        Comment


                        • #13
                          Looks to be circa 2006 models. Comparable to a US 40TLR.

                          Here is the starting system diagram from the manual for that model.

                          Comment

                          Working...
                          X