Hi there!
I have a small sail boat with an outboard motor - a Yamaha F15AMHS year 2004.
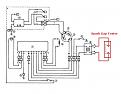
I wanted to be able to check the functioning of the Spark Plug Coil in case the engine
stops working, so I purchased a Spark Gap Tester. It is not the one Yamaha recommends
but it is very similar. Anyway, it is a very simple gadget, with two points enclosed in a
small acrilic tube with graduation, each point connected to a piece of wire, the distance
of the poins being capable of adjustement to the desired measure.
I connected it in the manner recommended by Yamaha but nothing happened. No sparks.
Then I re-connected the the spark plug wires and the engine started normally. I checked
the gadget - everything is OK. I made several tests with same result.
Could anybody explain to me this mystery?
I have a small sail boat with an outboard motor - a Yamaha F15AMHS year 2004.
I wanted to be able to check the functioning of the Spark Plug Coil in case the engine
stops working, so I purchased a Spark Gap Tester. It is not the one Yamaha recommends
but it is very similar. Anyway, it is a very simple gadget, with two points enclosed in a
small acrilic tube with graduation, each point connected to a piece of wire, the distance
of the poins being capable of adjustement to the desired measure.
I connected it in the manner recommended by Yamaha but nothing happened. No sparks.
Then I re-connected the the spark plug wires and the engine started normally. I checked
the gadget - everything is OK. I made several tests with same result.
Could anybody explain to me this mystery?

Comment